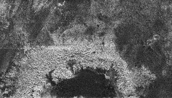
Cassini spied a possible crater with its radar on 13 January (Image: NASA/JPL)
The Cassini spacecraft may have spied another crater on Saturn’s moon Titan, whose surface is mysteriously unblemished by the impact scars.
So far, only three features have been unambiguously identified as craters on Titan, while about a dozen others are considered candidates. The dearth of craters is puzzling, since scientists had expected that meteroid impacts would have created hundreds that would still be visible today.
They suspect slushy volcanoes, as well as hydrocarbon rain and soot, may be depositing new material on the moon’s surface. This would cover up existing craters (see Images help solve mystery of Titan’s missing craters).
Advertisement
Now, radar images taken by the Cassini spacecraft during a flyby of the moon on 13 January show the northern half of what might be a large crater.
The 180-kilometre-wide semicircular structure has some crater-like features, such as a rim and a possible peak in its centre. Smooth deposits may have covered the inside of the crater, giving it a dark appearance in the radar images, while the ‘ejecta blanket’ thrown up during the impact may explain the bright ring around the crater itself.
Volcanic caldera?
However, other aspects of it are more puzzling. Some dark features near the northeast side of the rim – which may have been created by a liquid – appear to be concentric with the rim. That is unusual, because if liquid fills up inside a crater and breaches its rim, it usually creates a radial, spoke-like feature.
If it is not a crater, the suspiciously circular feature could be a volcanic caldera, a depression created when lava drains away and a volcano collapses, says Stephen Wall, deputy team leader for Cassini’s radar.
If it is a crater, the degradation of its rim suggests it might be old, though just how old is not clear, says Wall.
To date, Cassini, a joint mission of NASA, the European Space Agency and the Italian Space Agency, has made 13 passes of Titan to collect data with its synthetic aperture radar. So far, only about 13% of the surface has been mapped with this radar.
As a result, the mystery of Titan’s ‘missing’ craters may take a bit longer to solve, Wall told New Scientist: “It’s a giant puzzle that will take us until we have a higher percentage of the surface covered by radar to be able to start unravelling that puzzle.”
Cassini: Mission to Saturn – Learn more in our continually updated special report.


