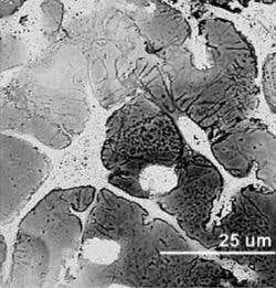
Soaking brain cells in a polymer solution that sets like rubber around them could provide a better connection for future brain implants – here the polymer shows the impressions of cells it has formed around (Image: Institute of Physics)
A liquid that sets into a conducting web around brain cells might solve the problem of wiring up medical implants to nerves or the brain, US researchers say.
Connecting electrodes to the nervous system is difficult because the tissue becomes inflamed when in contact with metal. This creates a layer of electrically insulating scar tissue that makes it harder to send or receive signals.
The problems typically get worse over time – solving them is important for medical treatments like deep-brain stimulation for conditions such as Parkinson’s and for future prosthetic devices, like bionic eyes.
Advertisement
To get round the problem, researchers have tried making electrodes out of soft materials, or coating metals in drugs that reduce inflammation or promote neuron growth. But no solution is a clear winner.
In the course of experimenting with soft, rubbery electrodes, neuroscientists at the University of Michigan, US, had a new idea. Instead of connecting previously formed polymer to the neurons, why not build the rubbery electrode around them?
Flexible network
“We add the liquid precursor of the polymer to the tissue, and then have it assemble in place,” says Sarah Richardson-Burns, who worked with colleagues Jeffrey Hendricks and David Martin on the new approach.
The polymer, PEDOT, assembles from a solution of monomers that assemble into polymer chains in response to electric current.
After testing that the monomer solution was not toxic to cells, the team allowed it to soak into cultures of mouse neurons, and living slices of brain tissue containing wires around which scar tissue had already formed.
Running a small current through the wires caused the monomers to form rubbery conductive polymer in a close-fitting web around the cells.
“It forms a network in the tiny gaps between cells,” Richardson-Burns explains, “we think that will allow a better long-term connection.”
Cell-friendly material
The results show that the PEDOT network can extend beyond the scarring around the wire electrode, providing a direct connection into the healthy tissue.
Tests so far indicate that the cells continue to live healthily for several days inside it, and that the polymer web allows a low-resistance electrical connection that should make communication easier.
Longer-term tests, eventually on animals, are planned. PEDOT has a rough surface not unlike biological tissue that should help its biocompatibility for long periods, Richardson-Burns says. “It is also possible to incorporate proteins or other components that could make it easier on cells,” she adds.
Major step forwards
Electron microscope images suggest that even plain PEDOT interacts in some way with the framework known as the extracellular matrix that naturally surrounds cells.
Leslie Smith works on connecting neurons and electronics at Stirling University, Scotland, UK. “There are real problems with metal implanted electrodes,” he told New Scientist. “This looks like a possible way of improving the connection between the tissue and the electrode.”
But he adds that an even bigger challenge for the field is making implants capable of two-way communication with the brain or other parts of the nervous system – receiving signals, as well as sending them to the neural tissue.
“If this technology would allow low-impedance connections to real neurons, that would be a major step forward,” Smith says.
Journal reference: Journal of Neural Engineering (Vol 4 pL6, doi:10.1088/1741-2560/4/2/L02)


