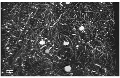
Cotton candy was used to make this tangled network of capillary-like channels, imaged using a A multiphoton microscope image of the tangled network of channels, resembling a capillary network. Image: Soft Matter
Cotton candy could provide a simple way to feed synthetic muscles or organs with essential gases and nutrients, say US medics. The tangled mass of sticky threads can be used as a template to grow artificial vascular networks inside engineered tissue.
Using tissue engineering to grow replacement body parts in the lab, it has proved possible to fix damaged knees, windpipes, and even – in rabbits – penises.
But progress towards making more complex organs has been held back by the difficulty of mimicking the complex vascular networks that pervade real tissue. Without nets of capillaries that can be connected to the body’s circulatory system, complex tissue can’t receive the nutrients it needs, or dispose of waste effectively.
Advertisement
Sweet idea
Now Jason Spector of NewYork-Presbyterian Hospital and Leon Bellan of Cornell University have come up with a simple solution. It started when they noticed that cotton candy – also called candy floss – has a tangled structure not unlike a capillary network.
Bellan and colleagues placed some candy in a non-stick mould and poured over a polymer-resin mix that set hard after a day. They then dissolved away the sugar using water and alcohol to leave a solid cube shot through with a network of channels.
Using a scanning electron microscope showed that the channels were similar in dimensions to real networks of capillaries, at 1 to 100 micrometers wide with a few hundred micrometers between channels.
See a video of the cotton candy network (5 MB, .mpg format).
Flesh and blood
To show that blood could flow easily through the material, the researchers pumped rat blood with fluorescent labelling through the network.
See a video of fluorescent blood cells flowing through the artificial network (29 MB, .mpg format).
The researchers are now working on creating casts using a biodegradable resin mixed with cells of a particular tissue, and coating the cast’s channels with blood vessel cells. As the cells grow, the biodegradable resin should gradually disappear to leave an artificial tissue sample with its own blood vessel network.
When such tissues are implanted into the body, the surgeon could plumb it into the body’s own blood system, ensuring even large implants remain healthy. That paves the way for three-dimensional synthetic tissues, and ultimately could be a step towards artificial organs, Bellan told New Scientist.
Journal reference: Soft Matter (DOI: 10.1039/b819905a)


